VH1 Serisi 0,4 ~ 5,5kW

 

1. Küçük gövde, kompakt ve zarif tasarım
2. Entegre ve çok yönlü, senkron ve asenkron anahtarlamayı destekler
3. Tüm modüler makine serileri kararlılığı artırır
4. Potansiyometre tipi ayarlanabilir düğme tasarımı hata ayıklamayı kolaylaştırır
5. Kılavuz rayları yan yana monte edin, zamandan ve emekten tasarruf edin
6. Her 300 saniyede 1 dakika boyunca %150 aşırı yük ve 3 saniye boyunca %180 aşırı yük destekler
7. Tüm dahili RFI filtre serileri EMC harici parazitini etkili bir şekilde azaltır ve ekipmanın kararlı çalışmasını sağlar

Teknik Parametreler

Teknik Özellikler

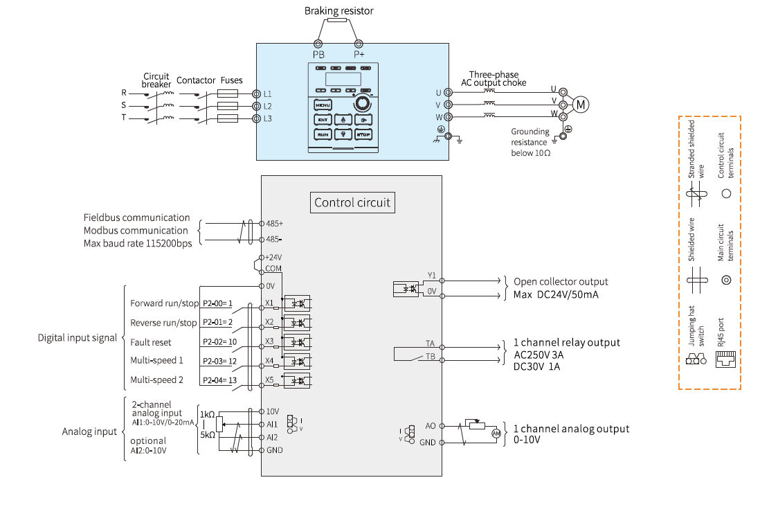
Terminal Bağlantı Şeması

Boyutlar (mm)